Recent Posts

As this is a remote helium miner it will need inline fuses or circuit breakers to protect the internal electronics and wiring. 07.11.2017 · 4 diagram showing the parts of a manufactured home scientific electrical crossover connectors in homes self contained power doublewides mobile double wide wiring site resource system diagnosis repair faqs for wides trailers way switch single floor plans outlet az line how to represent installation house stacbond welcome altmonthomes replace water heater typical … Please contact your spa dealer with … Some components (bus bars, cables, switch, fuses,etc.) in this diagram are cheaper (and smaller) because they're rated for lower current. The wiring diagram is part of our design workflow;

12.03.2019 · solar panel charge controller wiring intro. Off Grid Wiring Digram Victron Community
Off Grid Wiring Digram Victron Community from community.victronenergy.com
The wiring diagram is part of our design workflow; This information serves as a typical spa or hot tub wiring diagram to help inform you about the process and electrical wiring components. 12.03.2019 · solar panel charge controller wiring intro. It doesn't get any easier than this! The size of the cabinet you will require will be dependant on the width of the batteries. As this is a remote helium miner it will need inline fuses or circuit breakers to protect the internal electronics and wiring. Grounding your system, breaker polarity, components terminal size, … 10 amps will be fine for the solar panel cables and 5 amps will be more than enough for the internal devices.

Detailed breakdown on how to use our interactive wiring diagram and how to assemble all items together to build a functional electrical system.

The size of the cabinet you will require will be dependant on the width of the batteries. The wiring diagram is part of our design workflow; As this is a remote helium miner it will need inline fuses or circuit breakers to protect the internal electronics and wiring. 12.03.2019 · solar panel charge controller wiring intro. During the daytime the battery bank is is recharged by … All applicable safety standards are exceeded; This information serves as a typical spa or hot tub wiring diagram to help inform you about the process and electrical wiring components. 07.11.2017 · 4 diagram showing the parts of a manufactured home scientific electrical crossover connectors in homes self contained power doublewides mobile double wide wiring site resource system diagnosis repair faqs for wides trailers way switch single floor plans outlet az line how to represent installation house stacbond welcome altmonthomes replace water heater typical … 10 amps will be fine for the solar panel cables and 5 amps will be more than enough for the internal devices. Grounding your system, breaker polarity, components terminal size, … We take our safety, standards and regulations responsibilities very seriously. Some components (bus bars, cables, switch, fuses,etc.) in this diagram are cheaper (and smaller) because they're rated for lower current. An ac inverter pulls the dc power direct current from the stored energy in the batteries and converts the electricity into ac power alternating current to use for your lights, appliances & other home or cabin electrical needs.

This information serves as a typical spa or hot tub wiring diagram to help inform you about the process and electrical wiring components. It doesn't get any easier than this! There may be variations between this information and the specific spa you choose to purchase. Connecting the solar panel charge controller (mppt or pwm are the same), solar battery and the pv array in the right way is the essential work before enjoying the solar energy.solar panel charge … 10 amps will be fine for the solar panel cables and 5 amps will be more than enough for the internal devices.

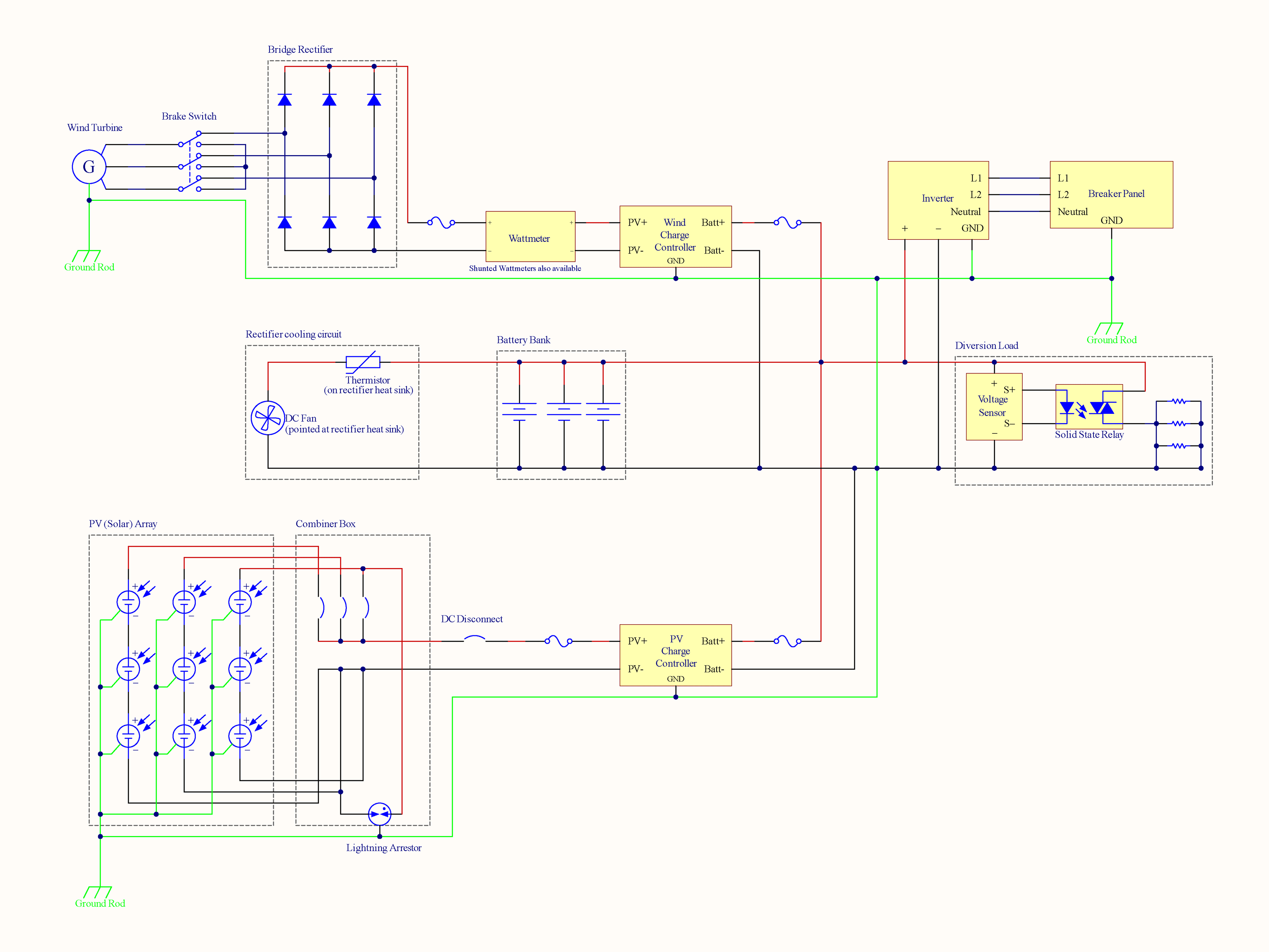
The wiring diagram is part of our design workflow; Off Grid Wind Solar Wiring Diagram First Draft R Solardiy
Off Grid Wind Solar Wiring Diagram First Draft R Solardiy from i.redd.it
This article contains general information and does not focus on, or is it specific to one particular make or model. This information serves as a typical spa or hot tub wiring diagram to help inform you about the process and electrical wiring components. All applicable safety standards are exceeded; 12.03.2019 · solar panel charge controller wiring intro. As this is a remote helium miner it will need inline fuses or circuit breakers to protect the internal electronics and wiring. We take our safety, standards and regulations responsibilities very seriously. Connecting the solar panel charge controller (mppt or pwm are the same), solar battery and the pv array in the right way is the essential work before enjoying the solar energy.solar panel charge … Grounding your system, breaker polarity, components terminal size, …

10 amps will be fine for the solar panel cables and 5 amps will be more than enough for the internal devices.

06.11.2021 · off grid helium miner wiring diagram. All applicable safety standards are exceeded; During the daytime the battery bank is is recharged by … We take our safety, standards and regulations responsibilities very seriously. It doesn't get any easier than this! Grounding your system, breaker polarity, components terminal size, … This information serves as a typical spa or hot tub wiring diagram to help inform you about the process and electrical wiring components. Connecting the solar panel charge controller (mppt or pwm are the same), solar battery and the pv array in the right way is the essential work before enjoying the solar energy.solar panel charge … 10 amps will be fine for the solar panel cables and 5 amps will be more than enough for the internal devices. The size of the cabinet you will require will be dependant on the width of the batteries. The wiring diagram is part of our design workflow; As this is a remote helium miner it will need inline fuses or circuit breakers to protect the internal electronics and wiring. 12.03.2019 · solar panel charge controller wiring intro.

It doesn't get any easier than this! The size of the cabinet you will require will be dependant on the width of the batteries. Please contact your spa dealer with … Some components (bus bars, cables, switch, fuses,etc.) in this diagram are cheaper (and smaller) because they're rated for lower current. This article contains general information and does not focus on, or is it specific to one particular make or model.

07.11.2017 · 4 diagram showing the parts of a manufactured home scientific electrical crossover connectors in homes self contained power doublewides mobile double wide wiring site resource system diagnosis repair faqs for wides trailers way switch single floor plans outlet az line how to represent installation house stacbond welcome altmonthomes replace water heater typical … Electrical Installation Renewable Energy Off Grid System Study The Photo Below Facebook
Electrical Installation Renewable Energy Off Grid System Study The Photo Below Facebook from lookaside.fbsbx.com
Detailed breakdown on how to use our interactive wiring diagram and how to assemble all items together to build a functional electrical system. Grounding your system, breaker polarity, components terminal size, … All applicable safety standards are exceeded; This information serves as a typical spa or hot tub wiring diagram to help inform you about the process and electrical wiring components. 07.11.2017 · 4 diagram showing the parts of a manufactured home scientific electrical crossover connectors in homes self contained power doublewides mobile double wide wiring site resource system diagnosis repair faqs for wides trailers way switch single floor plans outlet az line how to represent installation house stacbond welcome altmonthomes replace water heater typical … The size of the cabinet you will require will be dependant on the width of the batteries. Please contact your spa dealer with … Connecting the solar panel charge controller (mppt or pwm are the same), solar battery and the pv array in the right way is the essential work before enjoying the solar energy.solar panel charge …

This information serves as a typical spa or hot tub wiring diagram to help inform you about the process and electrical wiring components.

All applicable safety standards are exceeded; As this is a remote helium miner it will need inline fuses or circuit breakers to protect the internal electronics and wiring. The wiring diagram is part of our design workflow; 10 amps will be fine for the solar panel cables and 5 amps will be more than enough for the internal devices. Detailed breakdown on how to use our interactive wiring diagram and how to assemble all items together to build a functional electrical system. During the daytime the battery bank is is recharged by … Please contact your spa dealer with … This information serves as a typical spa or hot tub wiring diagram to help inform you about the process and electrical wiring components. Grounding your system, breaker polarity, components terminal size, … 06.11.2021 · off grid helium miner wiring diagram. 07.11.2017 · 4 diagram showing the parts of a manufactured home scientific electrical crossover connectors in homes self contained power doublewides mobile double wide wiring site resource system diagnosis repair faqs for wides trailers way switch single floor plans outlet az line how to represent installation house stacbond welcome altmonthomes replace water heater typical … It doesn't get any easier than this! There may be variations between this information and the specific spa you choose to purchase.

Off Grid Wiring Diagram : Diy Solar Wiring Diagrams For Campers Vans Rvs Explorist Life :. We take our safety, standards and regulations responsibilities very seriously. 07.11.2017 · 4 diagram showing the parts of a manufactured home scientific electrical crossover connectors in homes self contained power doublewides mobile double wide wiring site resource system diagnosis repair faqs for wides trailers way switch single floor plans outlet az line how to represent installation house stacbond welcome altmonthomes replace water heater typical … Connecting the solar panel charge controller (mppt or pwm are the same), solar battery and the pv array in the right way is the essential work before enjoying the solar energy.solar panel charge … This information serves as a typical spa or hot tub wiring diagram to help inform you about the process and electrical wiring components. During the daytime the battery bank is is recharged by …

Post a Comment